全国空降约跑一品楼凤万花楼,甘肃唐人阁兰州论坛,西安一品楼ypllt,qm论坛品茶,51品茶全国一品楼

您好~欢迎光临深圳市宏力捷电子有限公司网站!
一站式PCBA服务提供商
邮件询价:
sales88@greattong.com
电话咨询:
0755-83328032
QQ在线

张经理:深圳宏力捷PCB设计服务QQ

陈经理:深圳宏力捷PCB抄板服务QQ

叶经理:深圳宏力捷PCB制板服务QQ

王经理:深圳宏力捷PCBA/OEM服务QQ

PCB设计中对电路板结构设计的要求

发布时间 :2016-10-20 09:51 阅读 : 来源 :技术文章责任编辑 :深圳宏力捷PCB设计部
一、PCB设计对印制电路板结构尺寸的设计要求
1、板的尺寸必须控制在长度100—400mm之间,宽度在80—220mm之间,过大不易控制板的变形,过小要采用拼板设计以提高生产效率。
2、在满足空间布局与线路的前提下,力求形状规则简单。最好能做成长宽比例不太悬殊的长方形,最佳长宽比参考为3:2或4:3 。
3、PCB的两条长边应平行,不平行的要加工艺边,以便于生产加工过程中的设备传输。
4、综合考虑机插效率与波峰焊接需要,若手插主IC长边与PCB长边平行,建议采用4拼板设计,若手插主IC长边与PCB长边垂直,建议采用3拼板设计。必要时各种显示板也建议采用拼板机插设计提高生产效率。
5、印制电路板应有测试工装的定位孔,定位孔的直径应该为φ4.0+0.05/-0mm的孔 ,孔距的公差要求在±0.08mm之内,数量至少3个,放置时应尽量拉开距离,且距离板边缘至少有2mm以上的间距,保证在生产时针床、测试工装等的方便。
6、印制电路板的结构尺寸(包括外型与孔位)应与电控盒的机械结构设计完全匹配。螺丝孔半径3.5MM内不能有铜箔(除要求接地外)及元件.(或按结构图要求)。
7、自动插件工艺的印制电路板的定位尺寸应符合自动插件机的工艺要求,环球自动插件机PCB允许尺寸为mm*mm,松下机自动插件机PCB允许尺寸为mm*mm。
8、自动贴片工艺的印制电路板的定位尺寸应符合自动贴片机的工艺要求,JUKE2050/2060自动贴片机PCB允许尺寸最小为(X)50mm*(Y)30mm,最大为(X)410mm*(Y)360mm。
自动贴片工艺的印制电路板的定位尺寸应符合自动贴片机的工艺要求
9、在有贴片的PCB板上,为提高贴片元件的贴装的准确性,一般要求在贴片层对角端放置两个校正标记(MarkS)点,如位置有限可放置同种形式的一组校正标记(MarkS)点;标记直径1mm-1.5mm(首选1.5mm)的焊盘或通孔,标记点外需留有直径4mm的圆形,实心圆形式的圆形范围内应为无阻焊区或图案,通孔形式的圆形范围需全部露铜;
在有贴片的PCB板上,为提高贴片元件的贴装的准确性,一般要求在贴片层对角端放置两个校正标记(MarkS)点
标记(MarkS)点基准点要距离PCB边缘至少5.0mm;
标记(MarkS)点基准点要距离PCB边缘至少5.0mm
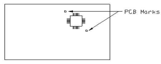
对于IC(QFP)等当引脚间距小于0.8mm时,要求在零件的单位对角加两个标记,作为该零件的校正标记,如下图所示:
对于IC(QFP)等当引脚间距小于0.8mm时,要求在零件的单位对角加两个标记,作为该零件的校正标记
 
二、焊接方向对电路板结构设计的要求
1、一般情况下,印制电路板过波峰焊的方向,应平行于印制电路板的长边,垂直于印制电路板的短边;如下图。
2、过波峰方向尽量与元件脚间距密的IC及接插座连接线等器件的长边方向一致;如下图。
3、PCB过波峰方向应在元件面的丝印层上有明确、清晰的箭头标识;如下图。
印制电路板过波峰焊的方向


深圳宏力捷推荐服务:PCB设计打样 | PCB抄板打样 | PCB打样&批量生产 | PCBA代工代料

微信咨询PCBA加工业务


马上留言咨询,工作人员将第一时间与您取得联系,请耐心等待!

公司名称: ?*
姓名: ?*
电话: ?*
邮箱: ?*
留言内容:
?
网站首页 PCB二次开发 PCB设计 电路板制作 PCBA代工代料 产品中心 关于我们 联系我们 网站地图 English