不光是代码有可读性的说法,原理图也有。很多时候PCB设计工程师画原理图不仅仅是给自己看的,也会给其它人看,如果可读性差,会带来一系列沟通问题。所以,要养成良好习惯,做个规范的原理图。此外,一个优秀的原理图,还会考虑可测试性、可维修性、BOM表归一化等。
PCB设计画好原理图的技巧
1 分???/span>
如上图所示,用线把整张原理图划分好区域,和各个区域写上功能说明,如:电源、STM32等。
这样让人更清晰、更快速地理解整个原理图,调试、维修的时候也很容易根据问题来查找电路。
2 标注关键参数
如上图,标注了最大输出电流,这样可以方便别人修改电路的时候,知道电源能不能带得起负载。
也可以写其它参数,如:输入电压范围,适用的温度范围,甚至是数字电路中的真值表等。
3 电阻/电容/电感/磁珠的注释
电阻
如上图所示,每个电阻都写上阻值、精度。针对大功率电阻,也可以写上功率,要视具体情况灵活变通。
一般对于开关电源上的采样电阻以及运放电路上的电阻得用1%精度,上下拉电阻可以使用5%精度。
注意:这里的阻值不建议写成102,要直接写成1K。尽量不要让别人去做这个换算,或者人家也不会算。
电容
如上图所示,每个电容都写上了容值和耐压。针对高精度电容,也可以写上精度,或者是材质。
如:瓷片电容的材质有X7R、Y5V、NP0等。
注意:这里的容值不建议写成105,要直接写成1uF。
电感
如上图所示,每个电感都写上电感值和饱和电流。
磁珠
如上图所示,每个磁珠都写上阻值和对应的频率。
其它元件
其它元件也是和电阻、电容等类似,如:晶振8MHz 50ppm等,要举一反三。
4 可维修性
如上图所示,增加L1电感,以便维修时可以断开,更容易排查故障。这里可以使用电感、磁珠或者0R电阻,视具体情况而定。
但是也有特殊情况,如果负载特别大,需要的串入的元件功率很大,成本增加太多,也是划不来的,这时,可以不加。
如果后面接的是QFP64封装之类芯片,功率又比较小,可以串入元件,因为QFP焊接不良的情况会比较多。
5 BOM表归一化
BOM表就是物料清单,尽量让物料的种类少一些,可以让采购员减少工作量,也会在生产上减少很多问题。
这里有两个上拉电阻,一个4.7K,一个10K,如果这个阻值影响不大的话,可以把它们都合并为10K。
去耦电容也是雷同的操作,要举一反三。
6 电源和地的符号
如上图所示。对于双电源系统来说,要在电源符号上写上正负号,单电源系统可以只写正号。
但是千万不要用VCC,不然别人看的时候还要观察一下是几V供电的。
如上图所示,只有一个地平面,则用GND。有数字地和模拟地,则用AGND、DGND。
也有一些系统还有视频地、音频地等,也要用不同的符号。
注意:不要把GND这些网络名给隐藏掉了,会容易出问题。
7 测试点
如上图所示,增加了测试点。测试点也就是一个圆形的pad,裸铜的。
在一些QFP、BGA、QFN封装的芯片,有的引脚很难用示波器测量,这时可以增加测试点,方便操作。
8 网络标号
如上图所示,PC7、PC6是接OLED12864的IIC接口。这里的网络标号增加OLED前缀,以减少网络标号的冲突,也增加了可读性。同理,接温度传感器的网络可以写DS18B20_DATA,网络标号上增加了元件名。其它的芯片也是一样的操作。
所有的网络标号均使用大写字母。
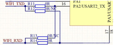
9 容错性/兼容性
在设计初期或是不经意,或是工期太赶,就没有那么多时间去研究电路上的接法是否正确。
这时可以使用一些预留的电路,来提高整板的容错性。
如上图所示,假设工程师还不确定是RX对TX还是RX对TX时,可以使用四个电阻来实现这两种接法。(NC为不接)
焊上R11和R14,不焊R12和R13时,是RX对RX,TX对TX的接法。
不焊R11和R14,焊上R12和R13时,是RX对TX,TX对RX的接法。
当调试通过后,再把这四个电阻去掉,并连上正确的接法。这样既能保证工期,又不会出错。
如果一个板子,不太确定用STM32的F103还是F407,此时,可以做成兼容设计。
如上图所示,圆圈中可放置0R电阻,使用F103时,把0R焊上,电容不焊。使用F407时,把电容焊上,0R不焊。
当然,也可以预留其它电路,要举一反三。
10 NC、NF
原理图上常常出现NC和NF两种字符,如下图所示,是不接、不焊的意思。
NC=Not connect 不接。
NF=Not Fix 不安装。
当然,NC也可以表示为normal close常闭,在继电器、接触器上用的多。
要视具体情况来辨认。
11 版本变更
很多时候一个电路不是一版就成功的。它会经历很多版本,每个版本都有变更的地方。这时要明确地标注出来。
如上图所示,明确地指出,V2版本把C12改成10uF,以便万一出问题,容易追溯。
12 悬空引脚
悬空引脚也要画上X。
13 可扩展性
很多时候,需求是不断变化的。如果仅仅针对当前需求来设计,一旦将来有改动,又要重新打板。
所以,很有必要增加一些预留的引脚、电路,以便快速验证整板的功能是否满足新需求。如下图所示,预留了一些IO口。
14 防呆
有一些接口是不防呆的,也就是存在两种或多种接法。
如上图所示,4P杜邦线(合在一起,没有分开的),有两种接法:
红黑白黄
黄白黑红
然后,该座子在原理图上是上图所示的定义,那么会有一种接法导致电源接反,可能会烧坏元件。
如果原理图是设计成这样,则不会烧坏元件,因为3.3V电源也就加在GPIO口上而已。
要做防呆,可以使用防呆的座子,如:USB座、航空接口等。
也有另一种方法,对称设计法。
如上图所示,引脚的排列是对称的,也就是无论怎么接,都是没问题的,只是成本会有所增加。
还有一种方法适用于直流电源的接口,一般是门禁系统用的多。
如上图所示,增加一个整流桥,不管+13.4V和PGND怎么接,在1、3引脚上都能产生正确的+12V和GND。
当然,这种方法也要考虑成本和功耗等。
15 信号的流向
一些模拟电路,需要标明信号的流向。
如上图所示,标明了定向耦合器中的信号流向。
16 PCB走线建议
如果PCB不是你画的话,可以在原理图上标明PCB的走线规则或者建议。
如上图所示,标明了一对差分线在PCB上的处理方法。
17 不使用\表示取反
一旦用了“\”,就有可能被wire挡住,然后看不到,从而导致网络可能连接不正确。
可以考虑用“#”来表示取反。
深圳宏力捷电子是一家专业从事电子产品电路板设计(layout布线设计)的PCB设计公司,主要承接多层、高密度的PCB设计画板及电路板设计打样业务。拥有平均超过10年工作经验的PCB设计团队,能熟练运用市场主流PCB设计软件,专业高效沟通保证PCB设计进度,助您早一步抢占市场先机!
深圳宏力捷推荐服务:PCB设计打样 | PCB抄板打样 | PCB打样&批量生产 | PCBA代工代料
