电源管?的挑战
由于电?板组件整合?越来越多的子系统,他们的电源分配和管?系统的复杂性?断上升。由于这些系统变得越来越复杂,传统的固定功能、以硬件为中心的电源管?方案很快变得相当笨拙。
另一种方法是用自上而下的、需求驱动的办法来解决
PCB设计问题,取代试图围绕一个或多个固定功能的整合电?,来设计电?板的电源管?功能;设计人员用独?的物?与逻辑功能来定义系统,根据这些功能来推动PCB设计。
用这样的方法进?设计需要?新设计??,系统的控制逻辑与硬件转移到韧体或是软件,而优点是减少?所需零组件的数?、?低系统的成本,在适应无法预?的需求方面具有?大的灵活性。
本文介绍?这种系统导向方法的实?,将其应用到CompactPCI (cPCI)板级电源管?,其中包括热插拔功能。
基本的CompactPCI电?板的电源管?
图一展示?一个支援热插拔的cPCI板的电源管?系统的顶层设计图;当这块电?板插到背板时,热插拔控制器必须完善地执?以下的操作:
1)测试cPCI汇?排电源处于稳定?态,且用/BRD_SEL讯号使电?板就位。这些条件得到满足时,控制器可以连接电?板的电源系统到汇?排电源。对于电?板吸取大电?的电源线?,电源管?可能还需要控制电压上升?,以防止在系统中可能瞬态破坏其他电?板的运作。
2)监控cPCI汇?排的控制讯号,尤其是/PCI_RST。电源管?器必须使本地复位讯号/LOCAL_PCI_RST有效,在所有电?板级电压稳定之后,保持一定的时间,以确保电?板上的系统正确初始化。
3)监控板上的电源电压,电?和电?板上子系统的?态讯号,以确定一?是否正常工作。如果是这样的情况,那么控制器可以使cPCI汇?排上的HEALTHY讯号有效。在出现故障情况下,该控制器需要以尽?减少潜在损害的方式作出反应。
图一即使是一个简单的cPCI电源管?系统也有各种需求,专门功能的控制晶片可能?满足这些要求。?如,1.8V和1.2V的POL转换器的时序要求,将需要额外的控制电?。
相反,当热插拔控制器检测到电?板正在从系统中拔出,在电源连接器断开之前,必须确保电?板边缘的电源已脱开。?这样做的话,就会在背板的电源上产生电弧和瞬变,可能会干扰其他正在运作的电?板。
在实际的热插拔控制系统中,即?是一个简单的系统,还有其他一些重要细节可能需要控制器进?处?,?如如果未能妥善处?过?检测的情况,可能影响系统中的其他电?板。
如果对于cPCI系统使用专用功能的cPCI热插拔控制器,通常提供(但?总是)上面所述的基本时序和诊断功能。如果电?板能够在一个约束的专门功能的热插拔控制器内工作,这也许是最简单的解决办法。
CompactPCI的电?板电源管??仅仅是热插拔控制
随着板级整合?的?断提升,对电源管?的作用和复杂性的要求也越来越高。多个元件可能需要遵循特殊的上电和断电时序。甚至使用多个电压支持核和I/O电?的单晶片可能需要专门的时序。透过使用DC-DC转换器及负载点(POL)稳压器,往往是在本地电?板上提供多个电源,并可能需要单独的监测和控制功能。
设计用于?间断和通讯应用中的系统,带来?额外的电源管?问题;?如,电?板上一个子系统中的一个元件失效时,它可能只需要能够关闭有故障的子系统,而允许电?板上的其他子系统继续工作。
实现设计的一种方式是开始用一个或多个「标淮」的电源管?整合电?,支援所需的单个功能,然后再设计一个协调它们运作的系统。根据协调的复杂性,实现可能是简单的黏合逻辑,或复杂的微控制器和支援韧体(图二)。
图二电源管?系统可以透过组合标淮的电源管?IC与顶层控制功能来实现。虽然简单设计是可?的,当人们试图提供独?控制器的各种功能和介面需求时,这种方法很快变得无法控制。
虽然这种 ad-hoc 方式可能会形成一个有用的设计,但是可能由于未使用的功能和复制的功能,以及大的封装而造成?必要的费用。
此外,即使最终能够与微控制器相协调,这种解决方案的硬连线的性质会使人难以逐步修改设计来解决问题,或支援产品的迁移。
系统导向的方法
取代从一个或多个预先定义的控制器整合电?实现电源管?系统的方法,?有效的方法是首先考虑需要那些基本功能,以支援电源管?系统。这些功能可以分为支援硬件测?和控制的资源,支持时序和组合处?创建的逻辑运算。表一?出?需要实现电源管?的、最常?的部分功能。
|
物?功能 |
逻辑功能 |
|
* 电压监测
* 电?监测
* 具有电?限制和'软启动'
的热插拔控制
* 数位控制
* 监控通信
|
* 线性时序
* 组合逻辑处?
* 条件分支
* 时间延时
* 多个同时处?
* 特定条件的非规划的'中断'
|
表1 通用电源管?功能
分解电源管?系统的要求至上述功能可以?容?、简洁地定义设计。第一步是确定所需关键功能的类型和功能,如电压和电?监测点和数位I/O。下一步是确定对每个资源的具体要求。对于图 1 假设的cPCI电源系统,需要以下的资源(表二):
|
资源 |
数? |
注释 |
|
电源开关 |
4
(+12,-12,+5,+3.3)
|
+5V 和 +3.3V 的软启动热插拔控制 |
|
电压监控 |
8 |
在汇?排和电?板上监控+12V, +5V和 +3.3V
监控 1.8V 和 1.2V POL 的稳压器输出
|
|
电?监控 |
2 |
监控+5V 和 +3.3V 上的电? |
|
数字I/O |
2 |
输入 / 4 输出 开?输出 |
表 2 用于cPCI电源管?的资源
下面的设计实?将使用莱迪思半导体公司的ispPAC Power Manager II系?,ispPACPOWER1220AT8。基于工业标淮的基于巨集单元的CPLD架构,这个元件针对电源管?应用进??优化,整合?专门的I/O,如可编程电压监视输入和high-side MOSFET驱动器输出功能。
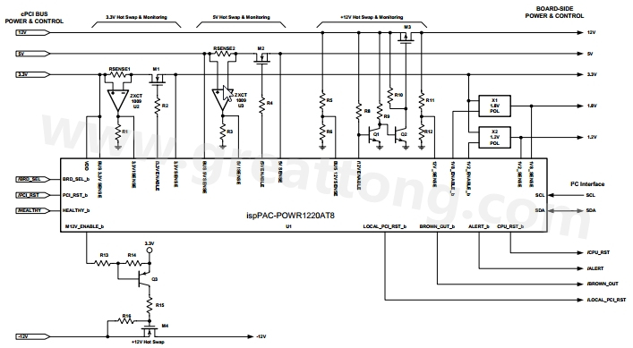
图三展示?ispPAC-POWER1220AT8 (U1)的示意图,它和相关元件配置为用作cPCI-4-的热插拔控制器,以及次级电源监控和时序控制器。
由于 Power Manager II 是可编程的,在分配功能至特定的 I/O 引脚方面有很大的灵活性。由于这个原因,出于明确起?,U1 的脚被赋予相应的描述性的标签,在此特定应用中对应它们的编程功能。在其他应用中,该元件的引脚可通过使用莱迪思的 PAC-Designer 设计软件赋予?同的功能和相应的名称。
图三莱迪思半导体公司的ispPAC-POWER1220AT8 支援cPCI电源管?系统所需的主要功能。对于电源开关,电?监测和高电压介面(+/- 12V)功能需要外部的主动元件。
对于这个设计,需要一些外部的主动元件,以支援电源开关,高电压(+/- 12V)介面,或电?测?功能。 MOSFET M1- M4 处?实际的负载开关。对于M1 和M2,Power Manager II的电荷泵MOSFET驱动器输出可以产生足够的电压对它们直接控制,通过MOSFET的闸极电压的斜?控制,也可以提供软启动功能。M3 和M4 用来?换+/-12V 电压, 需要用外部的元元件来实施电平的转换。
U1 的电压监控输入可直接检测 0 至 5.75V的电压范围,可用于直接监测多个电源电压。但是在+12V电源供电的情况下,需要有一个外部电阻分压器,将 12V电压?至一个合适的范围。使用电阻分压器转换到 3.3V正电压,也可以检测-12V电源电压。外部电?传感电阻(RSENSE1,RSENSE2)和电?检测放大器(U2,U3)能够监测 3.3V和 5V电源线上的电?。
除? Power Manager II 的通用数位和类比 I/O,元件还提供一个 I2C 数位介面,用独?的监控处?器可以进?控制和监测。在 cPCI 板上实施高级监测和诊断功能时,这个功能是很有用的。
cPCI 板的管?
除?硬件之外,cPCI 电源控制器也需要一些协调操作的逻辑处?。适当处?的定义往往是比支援硬件的定义实施?为复杂的任务,特别表现在要求硬件和软件密?配合实现功能。?如,图 3 电?可以在 3.3V 和 5V 线上对?涌电?进?限制,而?需要硬件电?调节器。当电?板插入背板时,控制器(U1)处于等待?态,直到电源电压趋于稳定,以及/BD_SEL 信号变为启动?态。
使用 U1 的软启动 MOSFET 驱动器,然后打开 MOSFET M1 和 M2。?断监测?经M1 和 M2 的电?,如果电?增加超过可编程的阈值,关闭 M1 和 M2。然后电?开始迅速下?,当它低于阈值时,MOSFET 再重新打开。这一过程?断持续,直到 3.3V 和 5V 电压达到正常的工作电压和电?值。在硬件和逻辑功能之间分割?涌电?限制功能的话,就可以使硬件?简单,??宜。
规范板级电源管?
使用可编程元件作为电源系统控制器的一个优点是可以直接对控制逻辑和I/O的分配做出修改,在产品开发过程中提供很大的益处。而且,这种灵活性还为企业提供?好处。使用ispPAC-POWER1220AT8 这样的可编程电源管?晶片使设计人员和设计部门建?一个或多个公用平台,只需稍加修改就可以迅速地适用于各种项目。
总结
本文用具有辅助 POL 稳压器的 CompactPCI 热插拔控制器为?,介绍?面向系统的方法来设计电源管?系统。用硬件和逻辑基元设计定义设计要求简化?硬件设计,使很多复杂的设计转成用可编程逻辑实现。这种方法使得设计既?低?成本,还可以随时在特定的 cPCI 板上进?修改。
深圳宏力捷推荐服务:PCB设计打样 | PCB抄板打样 | PCB打样&批量生产 | PCBA代工代料
