全国空降约跑一品楼凤万花楼,甘肃唐人阁兰州论坛,西安一品楼ypllt,qm论坛品茶,51品茶全国一品楼

您好~欢迎光临深圳市宏力捷电子有限公司网站!
一站式PCBA服务提供商
邮件询价:
sales88@greattong.com
电话咨询:
0755-83328032
QQ在线

张经理:深圳宏力捷PCB设计服务QQ

陈经理:深圳宏力捷PCB抄板服务QQ

叶经理:深圳宏力捷PCB制板服务QQ

王经理:深圳宏力捷PCBA/OEM服务QQ

如何确保IC封装/PC电路板设计的散热完整性?

发布时间 :2017-09-13 16:40 阅读 : 来源 :技术文章责任编辑 :深圳宏力捷PCB设计部
电路板设计人员制作了专业设计的模拟电路板(breadboard),并且在进行配置前完成所有必须的模拟,也参考了制造商为达到该封装的良好散热效能所提供的设计技巧建议,甚至以纸笔仔细计算初步散热分析等式,以确保电路板在维持适当容限时能不超过IC接点温度。但当开启电源的时候,IC摸起来的温度仍旧相当高。对于这样的结果不满意(散热专家和可靠性专业人员势必也会有所顾虑),设计人员应该怎么办?
 
就整体设计的可靠度而言,使IC接点的温度低于绝对上限以便在环境温度升高时保有电路设计的完整性,绝对是重要的设计考量。尤其在电路设计中,当设计人员不断挑战某些核心晶片的功耗上限(PD MAX)时,情况更是如此。
 
电网的Theta-JA类比图
图 1:电网的Theta-JA类比图。
 
Theta-JA 解说。
图 2:Theta-JA 解说。
 
分析散热完整性的第一步是深入了解IC封装散热指标的基本面。目前最常用来测量封装散热效能的方式是Theta JA值,这是从接点到环境所测得(或说形成)的热阻(图1)。Theta JA值最常被拿来解析(图2)。测量和计算Theta JA时,影响较大的因素包括以下几项:
 
?挂载电路板:是/否?
?迹线:尺寸、构成方式、厚度和体积
?方向:水平或垂直?
?环境:数量
?邻近程度:受测的装置附近是否有其他任何表面?
 
采用全新JEDEC标淮的导线表面黏着封装如今也具备热阻(Theta JA)资料,并且已针对多种封装产生实际资料,同时在其他封装执行散热模型。这些资料是根据封装的种类进行分组,并依照不同的空气流通程度显示其Theta JA值。
 
Theta-JC 解说。
图 3:Theta-JC 解说。
 
从接点到环境所测得的资料也包含从接点到机壳(Theta JC)所测得的热阻资料(图3)。对于使用JEDEC印刷电路板(PCB)进行测试的封装,其中产生了实际的Theta JC资料。
 
但问题是,谁有时间和毅力完成所有这些分析和测试?大概只有JEDEC才会这么做!本文将说明设计人员如何在测试设计的散热完整性时安全地省略这些步骤。
 
设计人员可藉由TI网站的thermaldata获得自选封装类型的散热资料,并从中找到功率下降曲线、不同气流每分钟线性英迟(LFM)的TJA值,以及对于其自身设计相当重要的其他模型化资料。所有这些资料将有助于装置的温度不超过其接点温度的上限。其中特别重要的是遵循制造商的指示及JEDEC建议的封装配置,像是采用QFN封装。采用这些设计建议有助于设计人员实作出最佳的散热设计。
 
在设计人员完全了解模拟散热的全貌并验证了电路板配置及散热设计后,下文将解说在不使用散热建模软体或热电藕来测量实际温度的情况下,其散热设计实际上发挥了多少效果。资料表中所列的Theta JA额定值通常是根据JEDEC #JESD51等业界标淮所订定,而这些业界标淮都是使用标淮化配置及测试电路板。因此根据设计人员特定的印刷电路板设计需求,其散热设计可能会有所不同,而且会有不同于标淮的Theta JA值。
 
如果设计人员想知道其设计与最佳散热设计在程度上有多接近,可以根据自身的印刷电路板设计进行下列系统内测试(为了测试最不理想的条件状况,请尽量将设定的最高电压值提高至最大)。为得到最佳的结果,可使用烤炉(非热感应系统)并且仅测量电路版周围的TA值,因为烤炉有热点。如果可能,可在电路板下方铺上热绝缘垫,以避免室温空气影响测量结果。
 
首先,在实际设计环境(印刷电路板)中找出IC的实际热阻,然后将该数据与「理想」JEDEC数值相比较。一个具有过热错误旗标(TEF)或类似功能,并可用来指示IC接点温度过高的IC是必要的,例如德州仪器的TLC5940 LED驱动器解决方案。一般而言,大多数IC的TJ上限(实际数据请检查资料表)大约是150℃。对于TLC5940装置而言,TEF将游移在150℃至170℃的TJ之间。
 
在测试中,测试电路板上特定晶片的TJ值是唯一要注意的事。在显示所测试的特定印刷电路板具备多大热阻抗Theta JA的等式中,这可当作替代参考值,因此应该足以呈现出散热设计的品质。测试多个不同的印刷电路板,可有效取样PowerPad等部份的焊料完整性,如果晶片有某种类型的散热片,即可正确地使用这种独特的封装散热器技术。若要在其TEF可接受的条件下找出装置的TJ上限,可将印刷电路板放入温度箱,并且让装置在无负载的情况下以静态条件进行运作,然后缓慢增加温度箱的温度,直到触发TEF为止。触发时的温度箱温度是TJ,因为TA等于TJ。此时,功耗(PD)处于相当低的静态程度,而可视为零功率耗损。请将此温度记录为TJ,这将用于后续的Theta JA等式中。
 
其次,找出电路的最大功耗PD MAX。可将温度箱的温度提升到高于资料表所列IC环境温度上限大约10或15度的地步(将此温度记录为TA),这将使得TEF因为自我加热而更快跳脱。此时缓慢增加PD,直到TEF跳脱为止,使IC达到满载。在TLC5940中,可以改变外部电阻R(IREF)以设定装置的IO汲入电流。如果温度过高的电路出现迟滞(hysteresis),则电路将出现缓慢的温度循环,此时便需要慢慢地降低PD,直到循环停止为止。此时可以将温度箱的温度记录为PD MAX。
 
最后,为了得出电路板的Theta JA值,可将测得的TJ、TA及PD MAX三个值带入以下等式中:
Theta JA = (TJ-TA)/PD MAX
如果其散热设计良好,这个值应该相当接近IC资料表中的Theta JA。
幸运的是,此种测试不需要直接测量容易产生测量误差的机壳温度(TC)或接点温度(TJ)。
 
以下是一些注意事项:
务必先将印刷电路板放在温度箱中几分钟
将VSUPPLY X IQ加入理想的PD中,以考量IQ的IC功耗。这个因素可加以忽略,不过若将其纳入考量会更加精淮。
 
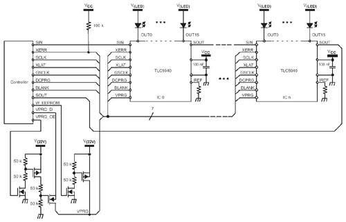
在本文一开始提及的情况中,如果设计内的PD接近到PD MAX,设计人员可以采取以下做法来提升设计的散热效果:使用散热效果更好的封装。对TLC5940而言,具有PowerPad的HTSSOP可达到更好的效果。
 
可改善散热设计的 TLC5940 串接应用范例参照
图 4:可改善散热设计的 TLC5940 串接应用范例参照
 
增加印刷电路板上透过PowerPad或其他散热片进行IC散热的铜料厚度。
如果可能,使用流通的空气降低IC所在环境的最高温度。
降低装置的PD。在测试中,有许多方式可以达到这个目的(图4):
 
1.降低V(LED)
2.将串联电阻加入LED电流路径。这不会改变设计的总功耗,但是会将IC封装的部分PD移到外部串联电阻。
 
本文小结
精良的电路设计人员都希望实现稳定的电子设计,使其能够处理最高环境温度下最不理想的电压及电流。其中一个常被忽略或较不受重视的部份是最坏运作条件下该封装的散热设计完整性,这可能是设计中更重要的部份,因为这攸关电路的可靠性。
 
本文提出了较迅速简易的方式,让设计人员得以判断自身的设计是否达到其最佳散热效果,其中未使用繁复费时的方法或耗费成本的软体分析,另外也提供了一些降低PD或减少IC封装本身功耗的方法。希望这些方法及工具有助于设计人员确保设计的完整性,让设计人员有更多的时间能够处理其他电子工程方面的问题。
 
本文提出了较迅速简易的方式,让设计人员得以判断自身的设计是否达到其最佳散热效果,其中未使用繁复费时的方法或耗费成本的软体分析,另外也提供了一些降低PD或减少IC封装本身功耗的方法。


深圳宏力捷推荐服务:PCB设计打样 | PCB抄板打样 | PCB打样&批量生产 | PCBA代工代料

微信咨询PCBA加工业务


马上留言咨询,工作人员将第一时间与您取得联系,请耐心等待!

公司名称: ?*
姓名: ?*
电话: ?*
邮箱: ?*
留言内容:
?
网站首页 PCB二次开发 PCB设计 电路板制作 PCBA代工代料 产品中心 关于我们 联系我们 网站地图 English